













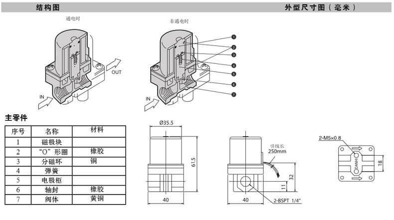
韓國DANHI丹海氣動元件,SVX2001,SVX2002,SVX2003,SVX2004,2通電磁閥,直動式2通電磁閥,2通直動式電磁閥,氣動閥,微型2通電磁閥,小型2通電磁閥,氬弧焊電磁閥,氬弧焊機電磁閥,電焊機專用電磁閥,送絲機電磁閥,焊機送絲機電磁閥,氣保焊機送絲機電磁閥,氣保焊機電磁閥,二氧化碳氣保焊機電磁閥,純銅電磁閥,全銅電磁閥,鑄銅電磁閥,鑄銅直通電磁閥,二位二通電磁閥,二口二位電磁閥,常閉電磁閥水閥,水用電磁閥,2位2通電磁閥,兩位兩通電磁閥,進水閥,進口電磁閥,氣動電磁閥,水路電磁閥,水電磁閥,黃銅電磁閥,進水閥,進水電磁閥,卷紙機電磁閥,點膠卷紙機電磁閥,噴膠電磁閥,點膠電磁閥,過膠水電磁閥。電磁閥水閥氣閥,氣閥水閥,常閉氣閥水閥,水管電子閥,放水閥,電磁水閥,水開關閥,常閉電磁開關閥,純銅電磁閥開關閥,水閥開關,氣閥放水閥,全銅氣控閥,全銅二通閥,水用氣用電磁閥,純銅電磁閥水閥氣閥,純銅水閥,水管電磁閥,全銅常閉電磁閥水閥氣閥,水閥電磁閥,常閉型全銅氣控閥,純銅線圈常閉電磁閥,絲扣連接全銅閥,全銅閥,銅材水閥,2W銅閥,2W電磁閥,2W水閥,2W兩通閥,2W二通閥。

